1. 멀티플렉서(Multiplexer)란?
멀티플렉서(Multiplexer, 줄여서 MUX)는 디지털 회로 설계에서 자주 사용되는 중요한 component 입니다.
주로 여러 개의 입력 신호 중 하나를 선택하여 단일 출력으로 전달하는 역할을 합니다.
Multiplexer 회로 설계는 복잡한 디지털 시스템을 구성하고 최적화하는 데 필수적인 요소입니다.
1-1) 멀티플렉서의 정의와 기본 개념
멀티플렉서는 ‘다수의 입력을 하나의 출력으로’ 통합하는 장치로, 여러 개의 입력 신호 중 하나를 선택하여 출력으로 전달하는 기능을 수행합니다.
이를 통해 데이터 흐름을 제어하고, 하나의 출력 라인으로 필요한 신호만을 전달할 수 있습니다.
Multiplexer 회로 설계를 이해하기 위해 기본적인 2-to-1 멀티플렉서를 살펴보겠습니다.
여기서 ‘2-to-1’이라는 용어는 2개의 입력과 1개의 출력을 의미합니다.
- 입력 신호: I0, I1 (2개의 입력)
- 선택 신호: S (1개의 선택 신호)
- 출력 신호: Y
2-to-1 멀티플렉서의 동작은 선택 신호 S의 상태에 따라 결정됩니다.
- S=0일 때, 출력 Y는 I0 와 동일합니다.
- S=1일 때, 출력 Y는 I1 와 동일합니다.
이를 간단한 진리표로 표현하면 다음과 같습니다.

Multiplexer 회로 설계의 기본 개념을 더 확장하면, 4-to-1 멀티플렉서는 4개의 입력과 1개의 출력을 가지며, 이를 선택하기 위해 2개의 선택 신호가 사용됩니다.
8-to-1, 16-to-1 등의 더 큰 멀티플렉서도 동일한 방식으로 동작하지만, 입력과 선택 신호의 수가 증가합니다.
1-2) 멀티플렉서의 주요 기능과 역할
멀티플렉서의 주요 기능은 선택과 전환입니다. 이를 통해 시스템 내에서 신호를 효율적으로 관리하고 제어할 수 있습니다.
Multiplexer 회로 설계에서 주로 다음과 같은 역할을 수행합니다.
- 데이터 라인의 선택
멀티플렉서는 여러 데이터 라인 중에서 하나를 선택하여 출력합니다.
이는 데이터 버스에서 여러 데이터 소스를 선택하고 전송하는 데 매우 유용합니다. - 신호의 다중화
하나의 회로에서 여러 신호를 순차적으로 선택하고 전송하는 경우, 멀티플렉서를 사용하면 회로의 복잡성을 줄일 수 있습니다.
예를 들어, 여러 센서로부터 데이터를 수집하는 시스템에서 멀티플렉서를 사용하여 하나의 데이터 전송 라인을 공유할 수 있습니다. - 논리적 데이터 경로 제어
- 멀티플렉서는 논리 회로에서 신호의 경로를 선택하고 제어하는 데 사용됩니다.
이는 복잡한 디지털 시스템에서 논리적 흐름을 관리하는 데 필수적입니다. - 기억 장치의 주소 선택
멀티플렉서는 메모리 주소를 선택하고 제어하는 데 사용됩니다.
이는 메모리 시스템에서 특정 메모리 셀을 선택하고 접근하는 데 중요합니다.
1-3) 조합 논리 회로와 멀티플렉서의 관계
Multiplexer 회로 설계는 조합 논리 회로의 한 유형으로, 출력이 입력 상태에 따라 즉시 결정됩니다.
조합 논리 회로는 입력 신호의 현재 상태만을 기반으로 출력을 생성하는 반면, 순차 논리 회로는 이전 상태와 현재 상태를 모두 고려하여 출력을 생성합니다.
Multiplexer 회로 설계는 조합 논리 회로의 원리를 사용하여 입력 신호와 선택 신호의 조합에 따라 출력을 결정합니다.
이는 부울 대수(Boolean Algebra)를 기반으로 하며, 각 입력 신호가 선택 신호와 논리적으로 결합되어 출력 신호로 전달됩니다.

예를 들어, 2-to-1 멀티플렉서는 다음과 같은 불 대수식을 가집니다.
Y=(S′⋅I0)+(S⋅I1)
이 식은 선택 신호 가 0일 때 를 선택하고, 가 1일 때 를 선택하는 것을 나타냅니다.
이를 기반으로 복잡한 멀티플렉서 회로가 설계됩니다.
멀티플렉서와 조합 논리 회로의 관계는 멀티플렉서가 조합 논리의 원리를 활용하여 입력 신호를 효과적으로 관리하고 제어하는 방식에서 드러납니다.
Multiplexer 회로 설계는 이러한 조합 논리의 기초를 이해하고 응용하여 복잡한 디지털 시스템을 구현하는 데 중요한 기술입니다.
- 연관 참조 : 이진 감산기 회로 설계, 직렬과 병렬 감산기 비교, 회로 설계 예제 3가지
- 연관 참조 : 비교기 회로 설계, 유형, 회로 설계 방법, 예제, 주의 사항 7가지
- 연관 참조 : 이진 가산기 회로 설계, 회로 설계 방법, 예제 설계 2가지
- 연관 참조 : 2진 디코더 회로 설계, 회로 설계 방법, 예제,설계 문제 4가지
- 연관 참조 : Encoder 회로 설계, 회로 설계 방법, 예제, 흔한 설계 문제 4가지
- 연관 참조 : Demultiplexer 회로 설계, 회로 설계 방법, 예제, 흔한 설계 문제 5가지
- 연관 참조 : 조합 논리 회로, 회로 설계, 부울 대수 이용, 카르노 맵 이용,예제1
2. 멀티플렉서의 유형과 종류
멀티플렉서(Multiplexer)는 다양한 입력 신호 중 하나를 선택하여 출력하는 역할을 하는 디지털 회로입니다.
Multiplexer 회로 설계는 그 입력 수에 따라 여러 유형으로 나뉘며, 각 유형은 데이터 선택과 관리의 효율성을 높이는 데 중요한 역할을 합니다. Multiplexer 회로 설계에서 가장 일반적으로 사용되는 유형들을 살펴보겠습니다.
2-1) 2-to-1 멀티플렉서
2-to-1 멀티플렉서는 가장 기본적인 형태의 멀티플렉서입니다.
이 멀티플렉서는 두 개의 입력 중 하나를 선택하여 출력으로 전달합니다.
이는 단일 선택 신호로 제어됩니다.

- 동작 원리
선택 신호 S가 0이면, 출력 Y는 입력 I0 와 동일합니다.
선택 신호 S가 1이면, 출력 Y는 입력 I1 와 동일합니다.
이를 논리적으로 표현하면, 2-to-1 멀티플렉서는 다음과 같은 불 대수식을 가집니다.
Y=(S′⋅I0)+(S⋅I1)
이 식은 선택 신호 S의 상태에 따라 출력 Y가 결정된다는 것을 보여줍니다.
2-to-1 멀티플렉서는 간단한 데이터 선택이 필요한 상황에서 많이 사용됩니다.
Multiplexer 회로 설계에서 2-to-1 멀티플렉서는 다양한 조합 논리 회로의 기본 구성 요소로 사용됩니다.
예를 들어, 복잡한 다중 입력 시스템에서 데이터 라인의 선택을 간단하게 구현할 수 있습니다.
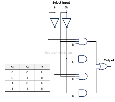
2-2) 4-to-1 멀티플렉서
4-to-1 Multiplexer 회로 설계는 4개의 입력 중 하나를 선택하여 출력으로 전달하는 멀티플렉서입니다.
이는 두 개의 선택 신호로 제어됩니다.

- 동작 원리
선택 신호 S1S0 의 조합에 따라 출력 Y가 결정됩니다.
S1S0=00 : 출력 Y는 I0 와 동일합니다.
S1S0=01 : 출력 Y는 I1 와 동일합니다.
S1S0=10 : 출력 Y는 I2 와 동일합니다.
S1S0=11 : 출력 Y는 I3 와 동일합니다.
이를 논리적으로 표현하면, 4-to-1 멀티플렉서는 다음과 같은 불 대수식을 가집니다.
Y=(S1′S0′⋅I0)+(S1′S0⋅I1)+(S1S0′⋅I2)+(S1S0⋅I3)
4-to-1 멀티플렉서는 여러 입력 중 하나를 선택하는데 매우 유용하며, 데이터 선택이 중요한 시스템에서 사용됩니다.
Multiplexer 회로 설계에서 4-to-1 멀티플렉서는 복잡한 데이터 선택과 전송 시스템에서 중요한 역할을 합니다.
예를 들어, 여러 센서의 데이터를 하나의 출력으로 전송하는 경우에 효과적으로 사용될 수 있습니다.
2-3) 멀티플렉서의 실질적 응용 사례
Multiplexer 회로 설계는 다양한 실질적 응용 사례에서 중요한 역할을 합니다.
Multiplexer 회로 설계는 여러 산업과 기술 분야에서 효율적인 데이터 선택과 전송을 가능하게 합니다.
- 통신 시스템
멀티플렉서는 통신 시스템에서 여러 신호를 단일 채널로 통합하여 전송하는 데 사용됩니다.
예를 들어, 전화 시스템에서 여러 통화를 하나의 통신 채널로 다중화할 수 있습니다. - 데이터 수집 시스템
멀티플렉서는 여러 센서로부터 데이터를 수집하여 단일 처리 장치로 전송하는 데 사용됩니다.
이는 데이터 수집 장치에서 입력 라인의 수를 줄이고 비용을 절감하는 데 도움이 됩니다. - 메모리 주소 선택
멀티플렉서는 메모리 시스템에서 특정 메모리 셀을 선택하고 접근하는 데 사용됩니다.
이는 메모리 관리에서 중요한 역할을 하며, 주소 버스를 최적화하는 데 기여합니다. - 디지털 신호 처리(DSP)
멀티플렉서는 DSP 시스템에서 다양한 신호를 선택하고 처리하는 데 사용됩니다.
이는 신호 처리의 효율성을 높이고 시스템 성능을 향상시키는 데 도움이 됩니다. - 컴퓨터 시스템
멀티플렉서는 컴퓨터 시스템에서 데이터 버스의 효율적인 관리와 제어를 위해 사용됩니다.
이는 데이터 전송의 효율성을 높이고 시스템의 복잡성을 줄이는 데 기여합니다.
이처럼 Multiplexer 회로 설계는 다양한 응용 분야에서 중요한 역할을 하며, Multiplexer 회로 설계는 이러한 시스템의 효율적인 구현과 최적화를 가능하게 합니다.
3. 멀티플렉서 회로 설계 방법
멀티플렉서(Multiplexer)는 다양한 디지털 회로에서 중요한 역할을 합니다.
Multiplexer 회로 설계는 데이터의 효율적인 선택과 전달을 가능하게 하며, 시스템의 복잡성을 줄이고 성능을 최적화하는 데 도움을 줍니다.
이번 섹션에서는 멀티플렉서 회로 설계 방법을 단계별로 살펴보겠습니다.
3-1) 기본 설계 원리: 진리표에서 논리식으로
멀티플렉서 회로 설계의 첫 번째 단계는 진리표를 기반으로 논리식을 도출하는 것입니다.
진리표는 입력 신호와 선택 신호의 모든 가능한 조합을 나열하고, 각 조합에 대한 출력 값을 정의합니다.
예를 들어, 2-to-1 멀티플렉서의 진리표는 다음과 같습니다.

이 진리표에서 선택 신호 S가 0일 때 출력 Y는 입력 I0와 같고, 선택 신호 S가 1일 때 출력 Y는 입력 I1와 같습니다.
이를 바탕으로 다음과 같은 논리식을 도출할 수 있습니다.
Y=(S′⋅I0)+(S⋅I1)
이 논리식은 선택 신호의 상태에 따라 출력이 어떻게 결정되는지를 명확하게 보여줍니다.
3-2) 멀티플렉서의 논리식 도출 과정
멀티플렉서의 논리식을 도출하는 과정은 다음과 같은 단계로 이루어집니다.
- 진리표 작성
모든 입력 신호와 선택 신호의 가능한 조합을 나열합니다.
각 조합에 대한 출력 값을 정의합니다. - 미니텀(minterm) 확인
출력이 1인 경우의 미니텀을 확인합니다.
각 미니텀은 선택 신호와 입력 신호의 조합으로 표현됩니다. - 불 대수식 작성
모든 미니텀을 OR 연산으로 결합하여 최종 논리식을 작성합니다.
예를 들어, 4-to-1 멀티플렉서의 경우, 입력 신호가 I0,I1,I2,I3이고 선택 신호가 S0,S1일 때, 진리표는 다음과 같습니다.

여기서 최종 출력 Y는 다음과 같은 불 대수식으로 표현됩니다.
Y=(S1′S0′⋅I0)+(S1′S0⋅I1)+(S1S0′⋅I2)+(S1S0⋅I3)
이 식은 선택 신호의 상태에 따라 입력 신호가 출력으로 전달되는 방식을 설명합니다.
3-3) 선택 신호를 이용한 회로 구성 방법
선택 신호를 이용하여 멀티플렉서 회로를 구성하는 방법은 다음과 같습니다.
- 선택 신호 결정
멀티플렉서의 선택 신호는 입력 신호 중 어느 하나를 선택하기 위해 사용됩니다.
예를 들어, 2-to-1 멀티플렉서의 경우, 단일 선택 신호 S가 필요하며, 4-to-1 멀티플렉서의 경우 두 개의 선택 신호 S0와 S1가 필요합니다. - 논리 게이트 사용
선택 신호를 기반으로 AND, OR, NOT 게이트를 사용하여 입력 신호를 결합합니다.
예를 들어, 2-to-1 멀티플렉서의 경우, 선택 신호 S와 입력 신호 I0,I1를 AND 게이트로 결합하고, 최종 출력을 OR 게이트로 생성합니다. - 회로 최적화
불필요한 게이트와 중복된 논리 연산을 제거하여 회로를 최적화합니다.
회로 최적화는 회로의 효율성을 높이고, 전력 소모를 줄이며, 성능을 향상시킵니다.
3-4) 멀티플렉서 회로의 최적화 기법
멀티플렉서 회로를 최적화하는 것은 효율적인 Multiplexer 회로 설계의 중요한 부분입니다.
최적화 기법은 회로의 복잡성을 줄이고, 성능을 향상시키며, 전력 소모를 최소화하는 데 중점을 둡니다.
- 게이트 최소화
불필요한 논리 게이트를 제거하고, 최소한의 게이트로 회로를 구성합니다.
카르노 맵(Karnaugh Map)이나 퀸-매클러스키(Quine-McCluskey) 알고리즘을 사용하여 불 대수식을 최소화할 수 있습니다. - 공유 게이트 사용
여러 입력 신호가 공통으로 사용하는 논리 게이트를 공유하여 회로를 간소화합니다.
이는 회로의 크기를 줄이고, 전력 소모를 줄이는 데 도움이 됩니다. - 고속 게이트 사용
회로의 속도를 높이기 위해 고속 논리 게이트를 사용합니다.
이는 신호 전송 지연을 줄이고, 전체 시스템의 성능을 향상시킵니다. - 파이프라이닝(Pipelining)
멀티플렉서 회로에서 파이프라이닝을 사용하여 데이터 전송 속도를 높입니다.
이는 데이터 흐름을 여러 단계로 나누어 병렬 처리를 가능하게 합니다. - 전력 관리 기법
저전력 설계 기법을 사용하여 회로의 전력 소모를 최소화합니다.
예를 들어, 전력 게이팅(Power Gating)을 사용하여 필요하지 않은 부분의 전원을 차단할 수 있습니다.
이와 같은 최적화 기법을 통해 멀티플렉서 회로는 더 효율적이고, 고성능의 시스템을 구현할 수 있습니다.
Multiplexer 회로 설계는 이러한 기법을 적절히 적용하여 최적의 성능을 달성하는 것이 목표입니다.
티플렉서(Multiplexer) 회로 설계는 진리표에서 논리식을 도출하고, 선택 신호를 기반으로 회로를 구성하며, 다양한 최적화 기법을 적용하여 효율적인 데이터 선택과 전송을 가능하게 합니다.
Multiplexer 회로 설계는 디지털 시스템의 복잡성을 줄이고, 성능을 최적화하며, 다양한 응용 분야에서 중요한 역할을 수행합니다.
이를 통해 멀티플렉서는 데이터 통신, 메모리 관리, 신호 처리 등 다양한 분야에서 핵심적인 구성 요소로 활용될 수 있습니다.
4. 멀티플렉서 회로 설계 예제
멀티플렉서(Multiplexer)는 다양한 입력 신호 중 하나를 선택하여 출력하는 디지털 회로입니다.
Multiplexer 회로 설계를 이해하기 위해, 몇 가지 예제를 통해 구체적인 설계 과정을 살펴보겠습니다.
4-1) 4-to-1 멀티플렉서 회로 설계 단계별 설명
4-to-1 멀티플렉서는 네 개의 입력 신호 중 하나를 선택하여 출력하는 회로입니다.
이를 설계하는 단계는 다음과 같습니다.
4-1-1) 진리표 작성
4-to-1 멀티플렉서의 경우, 두 개의 선택 신호(S0, S1)와 네 개의 입력 신호(I0, I1, I2, I3)가 필요합니다.
진리표는 선택 신호의 상태에 따라 출력이 어떤 입력 신호와 동일한지를 나타냅니다.

4-1-2) 논리식 도출
진리표를 기반으로 출력 Y에 대한 논리식을 도출합니다.
최종 논리식은 다음과 같습니다.
Y=(S1′S0′⋅I0)+(S1′S0⋅I1)+(S1S0′⋅I2)+(S1S0⋅I3)
4-1-3) 회로 구성

4-2) 8-to-1 멀티플렉서의 진리표와 회로 구현
8-to-1 멀티플렉서는 여덟 개의 입력 신호 중 하나를 선택하여 출력하는 회로입니다.
이를 설계하는 단계는 다음과 같습니다.
4-2-1) 진리표 작성
8-to-1 멀티플렉서의 경우, 세 개의 선택 신호(S0, S1, S2)와 여덟 개의 입력 신호(I0, I1, I2, I3, I4, I5, I6, I7)가 필요합니다.
진리표는 선택 신호의 상태에 따라 출력이 어떤 입력 신호와 동일한지를 나타냅니다.

4-2-2) 논리식 도출
진리표를 기반으로 출력 Y에 대한 논리식을 도출합니다.
최종 논리식은 다음과 같습니다.
Y=(S2′S1′S0′⋅I0)+(S2′S1′S0⋅I1)+(S2′S1S0′⋅I2)+(S2′S1S0⋅I3)+(S2S1′S0′⋅I4)+(S2S1′S0⋅I5)+(S2S1S0′⋅I6)+(S2S1S0⋅I7)
4-1-3) 회로 구성

4-3) 멀티플렉서를 활용한 실제 응용 예제
Multiplexer 회로 설계는 다양한 실질적 응용에서 중요한 역할을 합니다. 몇 가지 예를 들어 설명해보겠습니다.
- 데이터 선택 및 분배
멀티플렉서는 여러 데이터 소스 중 하나를 선택하여 단일 출력으로 전달하는 데 사용됩니다.
예를 들어, CPU 내에서 다양한 데이터 레지스터 중 하나를 선택하여 ALU로 전달하는 경우입니다. - 메모리 주소 디코딩
멀티플렉서는 메모리 시스템에서 주소 디코더로 사용됩니다.
특정 메모리 위치에 접근하기 위해 주소 버스의 선택 신호를 사용하여 메모리 셀을 선택합니다. - 신호 다중화
멀티플렉서는 통신 시스템에서 여러 신호를 하나의 채널로 다중화하는 데 사용됩니다.
이는 대역폭을 효율적으로 활용하고, 신호 전송의 효율성을 높입니다. - 디지털 회로 테스트
멀티플렉서는 디지털 회로의 테스트 및 디버깅 과정에서 다양한 테스트 포인트를 선택하여 신호를 모니터링하는 데 사용됩니다. - 시스템 제어
멀티플렉서는 시스템의 여러 제어 신호 중 하나를 선택하여 특정 기능을 활성화하는 데 사용됩니다.
예를 들어, 로봇 시스템에서 다양한 센서 입력 중 하나를 선택하여 처리하는 경우입니다.
이처럼 멀티플렉서는 다양한 응용 분야에서 핵심적인 역할을 하며, Multiplexer 회로 설계는 이러한 시스템의 효율적이고 최적화된 구현을 가능하게 합니다.
각 응용 사례에서는 멀티플렉서 회로 설계의 기본 원리를 적용하여 데이터 선택, 신호 처리, 시스템 제어 등 다양한 기능을 수행할 수 있습니다.
It’s really a great and useful piece of info. I’m glad that you shared this useful info with us. Please keep us up to date like this. Thanks for sharing.
Thank you for your kind words! I’m so happy you found the information helpful and meaningful.
It’s an amazing article for all the online people; they will obtain benefit from it I am sure.
Thank you so much—I’m really glad you found the article valuable!
I hope it continues to be helpful for others as well.
I haven’t checked in here for a while as I thought it was getting boring, but the last several posts are great quality so I guess I will add you back to my everyday bloglist. You deserve it my friend 🙂
That means so much—thank you for giving it another chance! I truly appreciate you coming back and noticing the recent posts.
Nice blog here! Also your site loads up fast! What host are you using?
Can I get your affiliate link to your host? I wish my site loaded up as quickly
as yours lol
Thank you so much!
My blog is built on the WordPress platform, and I’m currently using a Korean hosting provider.
I don’t have an affiliate link to share
It’s really a nice and useful piece of info. I’m glad that you shared this helpful information with us. Please keep us informed like this. Thanks for sharing.
Thank you so much for your kind words!
I’m really happy to hear that you found the information useful.
Do you mind if I quote a few of your articles as long as I provide credit and sources back to your weblog? My website is in the very same niche as yours and my visitors would truly benefit from some of the information you present here. Please let me know if this ok with you. Regards!
Thank you for reaching out!
I’d be happy for you to quote a few articles, as long as proper credit and a link back to the original source are included.
I appreciate your thoughtfulness and am glad the content could be useful to your audience!
Some genuinely superb content on this website , thanks for contribution.
I truly appreciate your thoughtful comment!
Deference to article author, some good entropy.
Thank you for the respect and thoughtful comment!
I’m glad you found the content engaging.
Hello, Neat post. There is an issue with your website in internet explorer, may check this?K IE nonetheless is the marketplace chief and a large element of other people will miss your magnificent writing due to this problem.
Thank you so much for pointing that out! I really appreciate your attention to detail.
Internet Explorer can be tricky with modern web standards, but I’ll definitely look into the issue to ensure the site is accessible to as many readers as possible.
Usually I don’t read article on blogs, but I wish to say that this write-up very pressured me to check out and do so!
Your writing taste has been surprised me. Thank you, very great article.
I’m truly honored by your kind words.
It means a lot to know that the writing resonated with you, especially since you don’t usually read blog articles
Good V I should definitely pronounce, impressed with your website. I had no trouble navigating through all the tabs as well as related info ended up being truly simple to do to access. I recently found what I hoped for before you know it at all. Reasonably unusual. Is likely to appreciate it for those who add forums or anything, site theme . a tones way for your client to communicate. Nice task..
Really glad it worked well for you—thanks for the thoughtful feedback!
Youre so cool! I dont suppose Ive learn anything like this before. So good to seek out somebody with some unique ideas on this subject. realy thank you for starting this up. this website is something that is wanted on the net, somebody with somewhat originality. useful job for bringing one thing new to the web!
Thank you so much
Good write-up, I am normal visitor of one?¦s blog, maintain up the nice operate, and It is going to be a regular visitor for a lengthy time.
Thank you so much for your continued support.
I’m happy to have you as a regular visitor!
I love what you guys are up too. This kind of clever work and reporting! Keep up the terrific works guys I’ve included you guys to blogroll.
Thank you for your kind support, I’m glad you enjoy the work and included us in your blogroll.
As I site possessor I believe the content matter here is rattling wonderful , appreciate it for your hard work. You should keep it up forever! Good Luck.
Thank you very much for your encouraging words. I truly appreciate your support and good wishes.
Thanks for a marvelous posting! I really enjoyed reading it, you
could be a great author.I will remember to bookmark your blog and will often come back sometime soon. I
want to encourage yourself to continue your great writing, have a nice day!
Thank you so much for your wonderful words. I’m glad you enjoyed the post, and I truly appreciate your encouragement.
I¦ve recently started a site, the information you offer on this web site has helped me tremendously. Thanks for all of your time & work.
I’m so glad the information here has been helpful for you. Thank you for your kind words and support!
I don’t even know how I ended up here, but I thought this post was great. I don’t know who you are but definitely you are going to a famous blogger if you aren’t already 😉 Cheers!
Thank you so much for your kind words. I truly appreciate your support.”\
After I originally commented I clicked the -Notify me when new comments are added- checkbox and now every time a comment is added I get four emails with the identical comment. Is there any method you can take away me from that service? Thanks!
I’m sorry for the inconvenience. Please try unsubscribing from notifications in your settings.
Very interesting info!Perfect just what I was looking for!
Thank you, I’m glad the information was helpful for you.
Great wordpress blog here.. It’s hard to find quality writing like yours these days. I really appreciate people like you! take care
Thank you so much! I truly appreciate your kind words and support.
Great line up. We will be linking to this great article on our site. Keep up the good writing.
Thank you so much! I truly appreciate you linking to the article, and I’m glad you enjoyed it.