1. NE555 타이머란?
1-1) 타이머의 기본 개념과 사용 목적
타이머는 말 그대로 일정한 시간 간격을 설정하고, 그에 따라 신호를 제어하는 전자 부품입니다.
시간은 전자 회로에서 매우 중요한 요소로, 우리가 일상적으로 사용하는 다양한 전자 제품들이 특정 시간 간격에 맞춰 동작해야 하는 경우가 많습니다.
예를 들어, TV 리모컨을 누르면 잠시 후 TV가 켜지는 동작, 전등의 깜박임, 또는 알람 시계의 알람 소리 등이 모두 시간 제어와 관련되어 있습니다.
타이머는 이런 시간 관련 기능을 전자적으로 구현할 수 있게 해주는 중요한 장치입니다.
여기서 중요한 것은, 이 타이머가 단순히 “시간을 재는” 것이 아니라, 그 시간에 맞춰 신호를 발생시키거나 멈추게 할 수 있다는 점입니다.
따라서 NE555와 같은 타이머 칩은 우리가 원하는 시간에 맞춰 회로를 동작시키는 데 핵심적인 역할을 합니다.
NE555는 다양한 타이머들 중에서도 가장 널리 알려진 타이머 칩입니다.
이 칩은 전자 회로를 처음 배우는 사람에게도 친숙하고, 전문적인 엔지니어들 역시 다양한 응용 회로에서 이를 사용합니다.
그 이유는 이 칩이 매우 안정적이면서도 간단한 구조로 인해 다양한 기능을 쉽게 구현할 수 있기 때문입니다.
실제로 NE555 회로 설계는 전자 공학을 공부하는 학생들이 필수적으로 접하는 주제 중 하나입니다.
1-2) NE555의 역사와 발전
NE555는 1972년, 한스 카말라(Hans R. Camenzind)에 의해 설계되었습니다.
이 칩은 처음 출시되자마자 엄청난 인기를 끌었는데, 그 이유는 간단하면서도 다재다능한 기능을 제공했기 때문입니다.
특히 저렴한 가격과 높은 신뢰성으로 인해, 다양한 전자 제품에서 폭넓게 사용되었습니다.
이 칩의 이름 ‘555’는 내부에 있는 세 개의 5kΩ 저항에서 유래했다고 알려져 있습니다.
이는 간단한 저항 네트워크로 타이머의 핵심 기능인 시간을 제어하는 데 사용됩니다.
50년이 넘는 시간이 흘렀지만, 이 칩은 여전히 전자 회로 설계에서 매우 중요한 위치를 차지하고 있습니다.
시간이 지나면서 많은 전자 부품들이 대체되거나 개선되어 왔지만, NE555는 아직도 그 자리를 굳건히 지키고 있습니다.
다양한 변형 모델이 등장하면서 성능이 개선되고, 저전력 버전, 소형 패키지 모델 등으로 발전해 왔습니다.
그럼에도 불구하고 기본적인 구조와 기능은 처음 출시된 것과 크게 다르지 않습니다.
이는 NE555 회로 설계가 얼마나 강력하고 다재다능한지를 보여주는 좋은 예시입니다.
실제로도 NE555 회로 설계 시 많은 전자 취미자나 DIY 프로젝트에서 가장 기본적이면서도 효과적인 부품으로 사용되고 있습니다.
이 칩 하나로도 여러 가지 창의적인 아이디어를 실현할 수 있는 것이 NE555의 매력입니다.
- 연관 참조 : 기본 파형의 종류,사인파, 삼각파, 사각파, 예제1, 각 파형 비교
- 연관 참조 : 비안정 멀티바이브레이터 회로, 동작 원리, 예제2, 주파수 표, 구동 회로
- 연관 참조 : 단안정 멀티바이브레이터 회로, 동작 원리, 트랜지스터 기반 회로, TTL/CMOS 기반 회로
- 연관 참조 : 쌍안정 멀티바이브레이터 회로, 동작 원리, 유형, 비교 및 장.단점
2. NE555의 핀 구성
2-1) 각 핀의 역할 설명
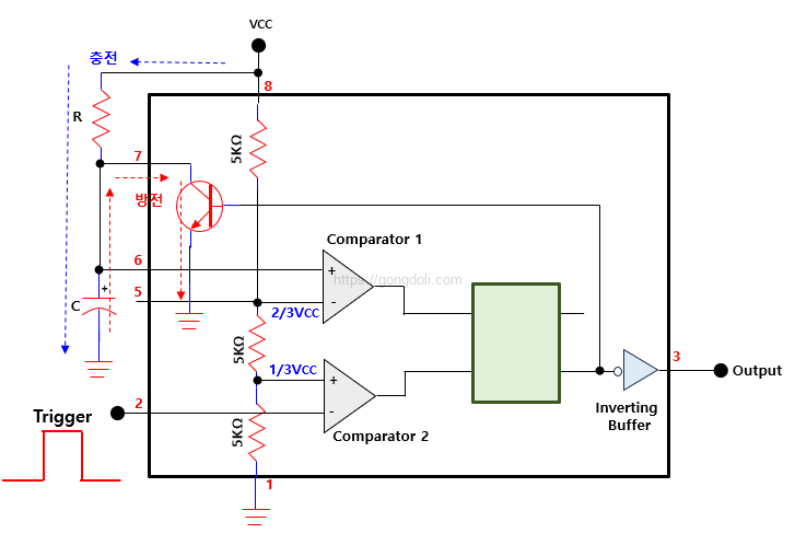
NE555는 총 8개의 핀으로 구성되어 있는데, 각 핀이 어떤 역할을 하는지 아는 것이 중요합니다.
처음 이 칩을 보면 핀이 많아서 복잡하게 느껴질 수 있지만, 역할을 하나씩 살펴보면 이해하기 쉽습니다.
우리가 이 핀들의 기능을 잘 이해해야, 다양한 NE555 회로 설계할 때 적절히 활용할 수 있죠. 이제 하나씩 살펴보겠습니다.

- 핀 1 (GND)
가장 기본적인 핀입니다.
회로의 접지(Ground)와 연결되는 핀으로, 모든 전자 부품에서 중요한 역할을 하는 핀입니다.
전류가 흐를 수 있게 하는 통로라고 생각하면 됩니다. - 핀 2 (Trigger)
이 핀은 회로의 동작을 시작시키는 신호를 입력받습니다.
트리거 신호가 들어오면, 타이머가 동작을 시작하면서 일정 시간 동안 출력을 유지하게 됩니다.
쉽게 말해, 트리거는 타이머에게 “시작!”이라고 말하는 역할을 하는 겁니다. - 핀 3 (Output)
타이머의 출력을 나타내는 핀입니다.
트리거 신호를 받으면 이 핀에서 출력 신호가 나오게 됩니다.
예를 들어, LED를 깜박이게 하고 싶다면 이 핀에 LED를 연결하면 됩니다.
많은 사람들이 이 핀을 사용해 간단한 LED 깜박임 회로를 만듭니다. - 핀 4 (Reset)
이 핀은 타이머의 동작을 멈추게 할 때 사용됩니다.
기본적으로는 항상 높은 전압(High)으로 설정되어 있으며, 낮은 전압(Low)을 입력하면 타이머의 동작을 강제로 중지시킵니다.
마치 “멈춰!”라고 외치는 것과 같은 역할을 합니다. - 핀 5 (Control Voltage)
핀 5는 외부에서 전압을 입력받아 타이머의 동작 시간을 미세하게 조정하는 역할을 합니다.
보통은 이 핀을 사용하지 않고, 0.01µF 정도의 콘덴서를 연결해 회로의 안정성을 높이는 용도로 많이 쓰입니다.
“NE555 회로 설계 시 5번 핀을 꼭 사용해야 하나요?”라는 질문을 자주 볼 수 있습니다.
답변은 ‘필수는 아니지만, 더 정밀한 제어를 원할 때 사용한다’입니다.
특히 잡음이 많은 환경에서는 이 핀에 콘덴서를 연결해 회로가 불필요한 신호에 반응하지 않도록 할 수 있습니다. - 핀 6 (Threshold)
타이머가 동작을 멈출 시점을 결정하는 핀입니다.
특정 전압 이상이 되면 타이머의 출력을 끄게 됩니다.
이 핀은 타이머의 동작 시간을 결정하는 중요한 역할을 합니다. - 핀 7 (Discharge)
이 핀은 외부의 커패시터를 방전시키는 역할을 합니다.
타이머가 작동하면서, 커패시터의 전압이 변하고, 그에 따라 타이머의 출력도 달라집니다.
쉽게 말해, 이 핀은 커패시터의 전압을 조절해 타이머의 동작을 제어합니다. - 핀 8 (VCC)
회로에 전원을 공급하는 핀입니다.
보통은 5V에서 15V까지의 전압을 공급합니다.
이렇게 8개의 핀을 적절히 연결하면 다양한 NE555 회로 설계를 할 수 있습니다.
NE555 회로 설계는 이 핀들을 이해하고, 원하는 기능을 구현하기 위한 회로를 만드는 것이 핵심입니다.
2-2) 5번 핀(Control Voltage)의 사용 이유와 회로 안정성에 미치는 영향
이제 5번 핀에 대해 조금 더 깊이 들어가 보겠습니다.
5번 핀(Control Voltage)은 NE555의 동작 시간을 외부에서 조정할 수 있도록 해주는 핀입니다.
기본적으로는 사용하지 않으며, 특별한 경우에만 필요한 기능을 추가할 때 이 핀을 사용합니다.
예를 들어, 타이머의 출력 시간을 동적으로 조정해야 하거나, 주파수 변화를 실시간으로 제어하고 싶을 때 이 핀에 외부 전압을 걸어줍니다.
하지만 초보자들이 NE555 회로 설계를 할 때 5번 핀을 자주 활용하는 것은 아닙니다.
대부분의 경우에는 5번 핀에 0.01µF 정도의 콘덴서를 연결해 회로의 안정성을 높이는 데 집중합니다.
이 콘덴서가 하는 역할은 외부 잡음을 걸러주고, 타이머가 원하지 않는 신호에 반응하지 않도록 보호하는 것입니다.
실제로 “NE555 회로 설계할 때 5번 핀을 연결하지 않아도 되나요?”라는 질문을 자주 볼 수 있습니다.
이에 대한 답변은 ‘일반적인 사용에서는 콘덴서를 연결하는 것이 좋다’입니다.
콘덴서 없이도 회로는 동작하지만, 잡음이 많은 환경에서는 오작동할 가능성이 커지기 때문입니다.
예를 들어, 전기적으로 복잡한 환경에서 타이머가 오작동하면 원하지 않는 출력이 발생할 수 있습니다.
그래서 많은 엔지니어들이 이 핀에 작은 용량의 콘덴서를 연결해 회로의 신뢰성을 높입니다.
NE555 회로 설계에서 5번 핀을 사용하지 않으면 간단한 시간 제어가 가능하지만, 외부 잡음이나 전압 변동에 민감해질 수 있습니다.
따라서 5번 핀은 안정적인 동작을 위한 중요한 역할을 합니다.
3. NE555 동작 모드
NE555는 여러 가지 모드로 동작할 수 있어 다양한 응용 회로를 만들 수 있습니다.
NE555 회로 설계의 핵심은 바로 이 세 가지 모드입니다.
3-1) 단안정(Monostable) 모드 (일정 시간 동안 신호 유지)
단안정 모드는 NE555 타이머가 한 번 트리거되면 일정한 시간 동안 출력이 유지되는 모드입니다.
Monostable이라는 이름에서 ‘Mono’이 의미하는 것처럼, 한 번만 출력이 유지되는 상태입니다.
이 모드를 사용하면 트리거 신호가 입력될 때마다 정해진 시간 동안만 신호가 나오는 타이머를 만들 수 있습니다.
즉, 이 모드는 특정 조건에서 일정 시간 동안만 신호를 출력하고, 그 시간이 지나면 자동으로 다시 꺼지는 방식으로 동작합니다.
일종의 “한 번만 켜졌다가 꺼지는 타이머”라고 생각하면 됩니다.

3-1-1) 동작 원리
먼저, NE555 회로 설계는 기본적으로 “트리거” 신호가 들어오면 동작을 시작합니다.
트리거(Trigger) 신호는 핀 2로 입력되는데, 이 신호가 짧은 시간 동안 낮은 전압(즉, “0” 상태)이 되면 타이머가 시작됩니다.
출력이 꺼진 상태(Low 상태)에서 트리거 신호가 들어오면 타이머의 플립플롭(Flip-Flop)이 동작합니다.
이 플립플롭은 간단히 말하면 타이머의 출력을 제어하는 작은 스위치라고 생각하면 됩니다.
플립플롭이 “켜짐” 상태가 되면, 타이머의 출력이 High 상태로 바뀌어 출력 신호가 나옵니다.
타이머가 동작을 시작하면, 출력이 켜진 동안 커패시터(C)가 저항(R)을 통해 충전되기 시작합니다.
커패시터는 전기 에너지를 저장하는 소자로, 충전 속도에 따라 타이머의 동작 시간이 결정됩니다.
커패시터가 충전되면서 그 전압이 점점 올라가는데, 이 전압이 **임계 전압(Threshold voltage)**에 도달하면 타이머는 다시 꺼지기 시작합니다.
이때 타이머의 출력은 다시 Low 상태로 바뀌며, 커패시터는 Q1이라는 내부 스위치를 통해 방전됩니다.
즉, 타이머는 출력이 꺼지고, 커패시터의 전하도 다시 사라지게 되는 겁니다.

이 동작 과정에서 중요한 점은 트리거 신호가 다시 높은 전압으로 돌아와야 한다는 것입니다.
트리거가 다시 “1” 상태로 돌아오지 않으면 타이머가 계속 동작하지 않습니다.
타이머가 동작하는 시간
즉, 출력이 High 상태로 유지되는 시간)은 커패시터가 충전되는 속도에 따라 결정되며, 이 시간은
τw=1.1×R×C 공식으로 계산할 수 있습니다.

타이머는 기본적으로 한 번 트리거되면 일정 시간이 지나야 출력이 꺼집니다.
하지만 특별한 상황에서는 다시 시작할 수 있습니다.
만약 타이머가 동작하는 도중에 리셋(Reset) 신호가 들어오면, 타이머가 중간에 멈추고 다시 처음부터 시작됩니다.
이때 리셋 신호는 핀 4로 입력되며, 낮은 전압(0)이 입력되면 타이머가 즉시 멈춥니다.
리셋 신호가 끝나면 타이머는 다시 트리거 신호를 기다리며 동작 준비 상태로 돌아갑니다.
3-1-2) NE555 회로 설계 시 주의 사항
NE555 회로 설계 후, 타이머가 제대로 동작하려면 몇 가지 조건을 신경 써야 합니다.
예를 들어, 트리거 신호가 너무 짧게 들어오면 타이머가 제대로 시작되지 않을 수 있습니다.
트리거 신호는 최소한 10μs 정도는 유지되어야 타이머가 안정적으로 동작합니다.
또한, 리셋 신호를 사용하지 않을 때는 핀 4를 전원(VCC)에 연결해서 타이머가 멈추지 않도록 해야 합니다.
리셋 핀이 잘못 연결되면 타이머가 예상치 못하게 중단될 수 있습니다.
3-1-3) 예제
단안정 모드로 동작하는 555 회로 설계할 때 시간 지연을 생성하려고 합니다.
타이밍 커패시터로 10μF가 사용된다면, 최소 500ms의 출력 시간 지연을 만들기 위해 필요한 저항 값을 계산해 보겠습니다.
공식은
τw=1.1×R×C
- 여기서
- C : 커패시터 값(F)
- τw : 출력 시간(초)
- R : 저항 값(Ω)
공식에 주어진 값들을 대입하여 R 값을 구해보겠습니다
0.5 = 1.1×R×(10×10−6)
R = 0.5/(1.1×10×10−6) = 0.5/0.000011 = 45,454.5Ω
즉, 저항 값 R은 약 45.45kΩ이 필요합니다.
따라서, 555 타이머가 10μF의 커패시터를 사용하여 최소 500ms의 시간 지연을 만들기 위해서는 약 45.45kΩ의 저항을 사용해야 합니다.
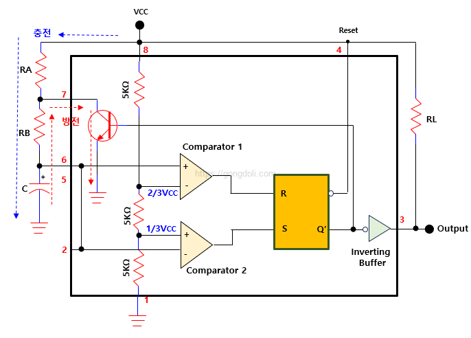
3-2) 비안정(Astable) 모드 (지속적인 신호 발생)
비안정 모드는 말 그대로 ‘안정되지 않은’ 상태를 의미합니다.
이 모드에서는 타이머가 자동으로 신호를 계속해서 반복적으로 출력합니다.
그래서 비안정 모드는 주기적인 파형을 발생시키는 데 자주 사용됩니다.
예를 들어, LED를 지속적으로 깜박이게 하거나, 모터를 주기적으로 켜고 끄는 회로를 만들 때 사용할 수 있습니다.
이 모드는 외부에서 별도로 트리거 신호를 줄 필요 없이, 한 번 회로가 동작하면 자동으로 계속해서 신호를 발생시키는 것이 특징입니다.

3-2-1) 기본 동작 원리
NE555 회로 설계된 비안정 모드는 타이머가 자동으로 신호를 발생시키기 때문에 외부에서 트리거 신호를 계속 입력할 필요는 없습니다.
대신 저항(RA, RB)과 커패시터(C)의 값에 따라 신호가 주기적으로 출력됩니다.
비안정 모드에서 커패시터(C)는 RA와 RB라는 두 개의 저항을 통해 충전되었다가, RB를 통해 방전됩니다.
이 과정에서 출력 신호가 주기적으로 High(켜짐)와 Low(꺼짐) 상태를 반복하게 됩니다.
- High 상태 : 커패시터가 RA와 RB를 통해 충전될 때 출력이 High 상태입니다.
- Low 상태 : 커패시터가 RB를 통해 방전될 때 출력이 Low 상태로 바뀝니다.

비안정 모드에서는 커패시터가 충전되고 방전되는 전압 범위가 VCC (전원 공급 전압)의 일정 비율로 정해집니다.
- 커패시터는 VCC의 0.67배까지 충전된 후 방전되기 시작합니다.
- 방전은 VCC의 0.33배까지 진행되고 나면 다시 충전이 시작됩니다.
이 충전과 방전이 반복되면서 출력 신호가 주기적으로 바뀌는 것입니다.
이때 중요한 점은, 충전 시간과 방전 시간이 저항과 커패시터 값에 따라 달라지며, 이를 통해 신호의 주기와 주파수를 조정할 수 있습니다.
3-2-2) 주기와 주파수 계산
NE555 회로 설계에서 가장 중요한 부분 중 하나는 신호의 주기와 주파수를 정확하게 계산하는 것입니다.
비안정 모드에서는 신호가 High 상태인 시간과 Low 상태인 시간이 각각 다릅니다.
이를 계산하는 공식은 다음과 같습니다.
High 상태 유지 시간 (𝑡𝐻)
tH = 0.693×(RA+RB)×C
Low 상태 유지 시간 (tL)
tL = 0.693×RB×C
이를 통해 하나의 주기(T)를 구할 수 있습니다.
주기는 High 상태와 Low 상태 시간이 더해진 값입니다.
T = tH+tL = 0.693×(RA+2×RB)×C
그리고 주파수는 주기의 역수로 계산됩니다.
f = 1.44/(RA+2×RB)×C1
이 계산식을 통해 NE555 회로 설계 시 원하는 주파수를 얻을 수 있습니다.

3-2-3) 듀티 사이클 조정
NE555 회로 설계 시, 비안정 모드에서 중요한 개념 중 하나는 듀티 사이클(Duty Cycle)입니다.
듀티 사이클은 출력 신호가 High 상태로 유지되는 시간의 비율을 말합니다.
듀티 사이클은 다음과 같이 계산됩니다.
Duty Cycle = tH/(tH+tL) = RB/ (RA+2×RB)
듀티 사이클을 조정함으로써 출력 신호가 High 상태로 얼마나 오래 유지될지를 결정할 수 있습니다.
예를 들어, 듀티 사이클이 50%라면 출력 신호가 High 상태와 Low 상태로 동일한 시간 동안 유지된다는 뜻입니다.
3-3) PWM(Pulse Width Modulation) 모드
PWM은 출력 신호의 High 상태와 Low 상태의 비율을 변화시켜 출력 신호의 폭을 조절하는 방식으로, 주파수를 유지하면서 전력 전달을 조절할 수 있습니다.
전자 기기에서 주로 모터 속도 제어나 밝기 조절 등에 사용됩니다.
이 방식은 간단한 원리로 다양한 응용이 가능하여 많은 NE555 회로 설계에서 활용됩니다.
펄스 폭 변조(PWM, Pulse Width Modulation)는 고정된 주파수의 신호에서 출력 펄스의 폭을 조절하여 신호의 세기나 출력 전력을 조절하는 방식입니다.
즉, 신호가 얼마나 오래 High 상태로 유지되는지에 따라 전송되는 에너지의 양이 달라집니다.
PWM의 주요 이점은 출력 신호의 주파수는 일정하게 유지되면서도 신호 폭을 조절할 수 있다는 것입니다.
모터 제어나 LED 밝기 조절 같은 경우, 고정된 전압을 제공하는 대신, 일정한 주기로 신호의 폭만 변조하면 훨씬 더 정밀하게 제어할 수 있습니다.
예를 들어, 신호의 High 상태가 길어지면 모터가 더 빠르게 돌고, Low 상태가 길어지면 모터가 더 느리게 도는 식으로 제어할 수 있습니다.
NE555 회로 설계에서 PWM을 구현할 수 있는 방법은, 타이머의 내부 임계값과 트리거 전압을 외부 제어 신호로 변조하는 것입니다.
이를 위해 5번 핀(CONNECT)에 외부 전압을 적용하여 임계값을 동적으로 조절할 수 있습니다.
이렇게 하면, 출력 신호의 폭을 제어할 수 있어 펄스 폭 변조(PWM)가 가능합니다.

3-3-1) 동작 원리
PWM 회로에서 NE555 타이머는 지속적인 클럭 신호를 받아서 단안정 모드 회로로 동작합니다.
그 결과, 단안정 동작에 따라 출력 신호가 트리거될 때마다 일정 시간 동안 High 상태로 유지되다가 Low 상태로 돌아갑니다.
이 동작을 반복하게 되죠.
그런데 이 회로에 제어 신호(모듈레이션 신호)를 더하면, 임계값(threshold voltage)이 변조됩니다.
즉, 신호가 High 상태로 얼마나 오래 유지될지를 이 제어 신호가 결정하는 것입니다.
- 클럭 신호는 트리거 입력(Trigger)에 들어가면서 555 타이머의 동작을 시작합니다.
- 타이머는 내부적으로 커패시터가 충전되면서 출력 신호가 High 상태로 전환됩니다.
- 이때, 5번 핀(Control Voltage)에 적용된 외부 제어 신호에 따라 출력 신호의 High 상태가 유지되는 시간이 달라집니다.
- 즉, 이런식으로 펄스의 폭이 제어되는 것입니다.
3-3-2) Modulation 신호 및 연결
NE555 회로 설계에서 Modulation 신호는 다양한 형태로 사용할 수 있습니다.
사인파(Sine wave), 삼각파(Triangle wave), 또는 정현파(Square wave)와 같은 신호를 입력으로 사용해 펄스 폭을 제어할 수 있으며, 그 결과 출력 신호의 펄스 폭이 Modulation 신호에 맞춰 변화합니다.
예를 들어, 사인파가 Modulation 신호로 사용되면, 출력 펄스 폭은 사인파의 주기에 맞춰 자연스럽게 변화합니다.
- 사인파 입력: 부드럽게 변화하는 펄스 폭.
- 정현파 입력: 뚜렷한 변화 주기의 펄스 폭.
- 삼각파 입력: 일정한 기울기의 변화로 펄스 폭 조절.
NE555 회로 설계할 때, Modulation 신호는 직접 연결하거나 커패시터를 통해 연결할 수 있습니다.
- 직접 연결: 외부 전압이 바로 5번 핀에 연결되며, 이 경우 전압원의 임피던스나 전압이 타이머의 동작에 영향을 줄 수 있으므로 주의해야 합니다.
- 커패시터 연결: 커패시터를 통해 신호를 연결하면 신호의 DC 성분을 차단하면서 타이머에 AC 성분만 영향을 미치게 할 수 있어 더 안정적인 동작이 가능합니다.

Very well written information. It will be valuable to anybody who employess it, including myself. Keep doing what you are doing – looking forward to more posts.
Thank you for the kind feedback! I’m thrilled to know you find the information valuable and encouraging.
I’d must check with you here. Which isn’t something I normally do! I take pleasure in studying a put up that will make people think. Additionally, thanks for allowing me to remark!
Thank you. I’m really glad the post gave you something to think about.
Hi there would you mind stating which blog platform you’re using? I’m going to start my own blog soon but I’m having a tough time choosing between BlogEngine/Wordpress/B2evolution and Drupal. The reason I ask is because your design and style seems different then most blogs and I’m looking for something unique. P.S Sorry for getting off-topic but I had to ask!
Thanks so much for your thoughtful message! I’m really glad you’re inspired to start your own blog.
This site is built on WordPress, which offers great flexibility and customization options.
That said, setting it up can be a bit challenging at first—especially if you’re new to blogging or web development.
But once you get the hang of it, it’s a powerful platform. Wishing you the best of luck with your blogging journey!
It’s hard to find knowledgeable people on this topic, but you sound like you know what you’re talking about! Thanks
Really appreciate that—thanks for the kind words!
I?¦ve recently started a site, the information you provide on this website has helped me greatly. Thank you for all of your time & work.
So glad it’s been helpful—thanks for appreciating the effort!
I am impressed with this site, rattling I am a fan.
Thank you so much—I’m grateful for your support!
Magnificent beat ! I wish to apprentice at the same time as you amend your site, how could i subscribe for a blog site? The account helped me a acceptable deal. I have been tiny bit acquainted of this your broadcast offered vivid transparent concept
Thank you so much—I’m glad it was helpful for you!
Youre so cool! I dont suppose Ive read anything like this before. So good to search out any person with some unique ideas on this subject. realy thanks for starting this up. this web site is one thing that’s wanted on the internet, somebody with a little bit originality. helpful job for bringing one thing new to the internet!
I truly appreciate your generous words
Your place is valueble for me. Thanks!…
Thank you! I’m glad you find it valuable.
Somebody essentially help to make seriously articles I would state. This is the first time I frequented your website page and thus far? I amazed with the research you made to make this particular publish incredible. Wonderful job!
Thank you! I’m glad the research and effort came through and that you enjoyed the post.
Very efficiently written post. It will be helpful to everyone who usess it, as well as me. Keep up the good work – i will definitely read more posts.
Thank you! I’m glad the post was helpful, and I appreciate your encouragement.
I’ve recently started a blog, the info you offer on this site has helped me tremendously. Thanks for all of your time & work. “So full of artless jealousy is guilt, It spills itself in fearing to be spilt.” by William Shakespeare.
Thank you for your kind words. I’m glad the site has been helpful
I must express some thanks to this writer just for bailing me out of this particular scenario. Because of browsing throughout the the net and finding ways that were not pleasant, I figured my life was gone. Living devoid of the answers to the problems you have resolved as a result of your short post is a critical case, and the kind that would have in a negative way damaged my entire career if I hadn’t noticed your web page. Your actual capability and kindness in handling a lot of things was valuable. I don’t know what I would have done if I had not come upon such a step like this. It’s possible to at this point relish my future. Thanks a lot so much for this professional and result oriented guide. I won’t think twice to propose your web sites to anybody who needs to have guidelines on this subject matter.
Thank you so much for your kind and generous words